Intermediale Ästhetik:
Fusion von zeitgenössischen Praxen in Bildkunst und Medienkunst
Downloads:
http://arduino.cc/en/Main/Software
http://processing.org/download/
http://firmata.org/wiki/Main_Page
Handouts:
Handout_01
Handout_02
Handout_03
Handout_04
Arbeitsblätter:
Ein Programm um eine LED zu blinken
Befehlsreferenzen
Programmaufbau
Widerstandstabelle
Elektronische Schaltzeichen
Photoshop Dateien:
paperduino-uno_30-1_pure_300dpi.psd.7z
paperduino-uno_30-1_pure_600dpi.psd.7z
Programme:
Arduino:
Ein & Ausgaenge
Eingang Test
Sound
Piezo Theremin
Processing
Output-Board-Test
Motor Control Board
Motor an & ausschalten
Blinken ohne Delay
Processing:
Farbwechsel
Schaltungen:
Helligkeitsmesser:

Drum-Pad:

Drehmesser:

Sound Ausgang:

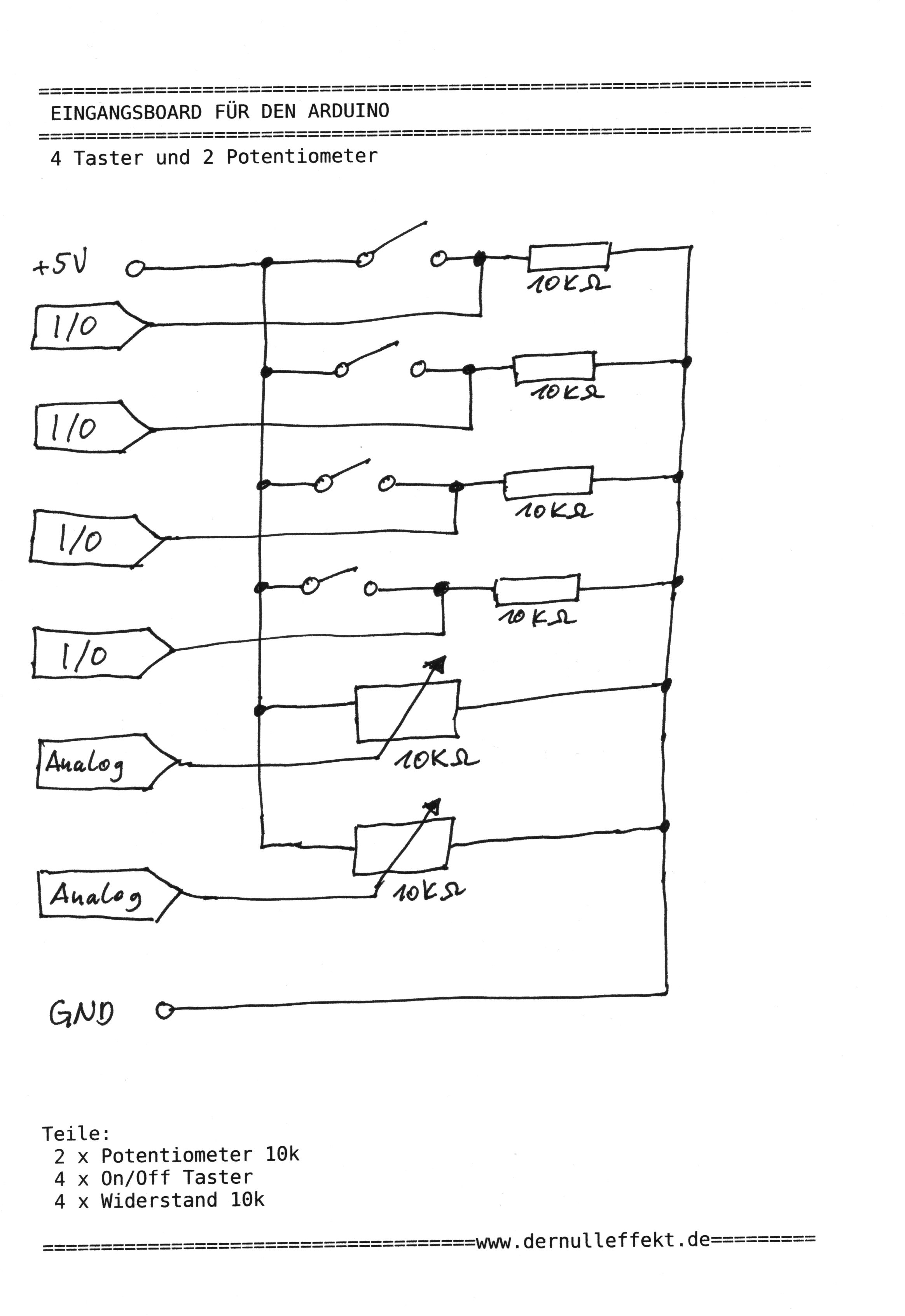
Eingangs Board:

Einfacher Verstärker:

Capacitive Sensor:
Capacitive Sensing Library
Capacitive Sensors without additional Hardware
Capacitive-Touch-Arduino-Keyboard-Piano
Just-Veggin-with-an-Arduino-Beetbox
Boards:
Einfaches Eingabe Board:

Simple-Input-Board
Einfaches Verstärker Board:

Simple-Output-Board
Links:
Arduino Infos & Tutorial:
http://www.arduino.cc
http://www.arduino.cc/playground
http://www.arduino.cc/forum
http://www.freeduino.de/books
http://itp.nyu.edu/physcomp/Tutorials/Tutorials
http://bausteln.de/anleitungen/
Ergänzungen:
http://fritzing.org
http://firmata.org/wiki/Main_Page
http://playground.arduino.cc/interfacing/processing
Elektronikwissen:
http://www.elektronik-kompendium.de
Led Vorwiderstand berechnen:
http://www.spaceflakes.de/led-rechner/
Datenblätter:
http://www.datasheetarchive.com
http://www.alldatasheet.com
Bauteilen:
http://www.tinkersoup.de
http://www.sparkfun.com
http://www.reichelt.de
http://www.pollin.de/shop
http://www.watterott.com
http://de.rs-online.com/web/home.html
Fix slow IDE:
Slow Arduino IDE
Bluetooth abschalten oder/und
tauschen der Datei rxtxSerial.dll im Arduino Ordner mit dieser:
rxtxserial-2.2_fixed_2009-03-17.rar
HC-SR04 Ultrasonic Sensor
http://arduinobasics.blogspot.de/2012/11/arduinobasics-hc-sr04-ultrasonic-sensor.html
Interfacing with Pure Data
Pure Data:
http://puredata.info/
Pduino:
http://playground.arduino.cc/Interfacing/PD
http://at.or.at/hans/pd/objects.html
PD-Object:
pduino-0.5.zip
simple Sound:
http://www.instructables.com/id/How-to-easily-play-music-with-buzzer-on-arduino-Th/
http://log.or.cz/?p=119
http://www.princetronics.com/supermariothemesong/

