Table of Contents
Licht-Raum-Modulator mit dem Arduino
Downloads
Arduino IDE
http://arduino.cc/en/Main/Software
Processing
http://processing.org/download/
Firmata
http://firmata.org/wiki/Main_Page
CH341 USB to Serial Driver for the DCcduino UNO
Tutorial for Mac:
- Download the driver file
- Install the software but don’t restart yet.
- Launch the terminal
- sudo nvram boot-args=”kext-dev-mode=1″
- Restart your Mac
- Launch the terminal
- sudo ln -s /dev/tty.wch\ ch341\ USB\=\>RS232\ 1410 /dev/tty.wch
http://0xcf.com/2015/03/13/chinese-arduinos-with-ch340-ch341-serial-usb-chip-on-os-x-yosemite/
Beispielvideo
Handouts
Arbeitsblätter
Übersetztes Blink Programm
Allgemeiner Programmaufbau
Widerstandstabelle
Elektronische Schaltzeichen
Programme
Arduino
Ein & Ausgaenge
Controler-Shiel-Test
2analogeausgaenge_2poti_2taster_v2.zip
Sound
Piezo Theremin
Processing
Output-Board-Test
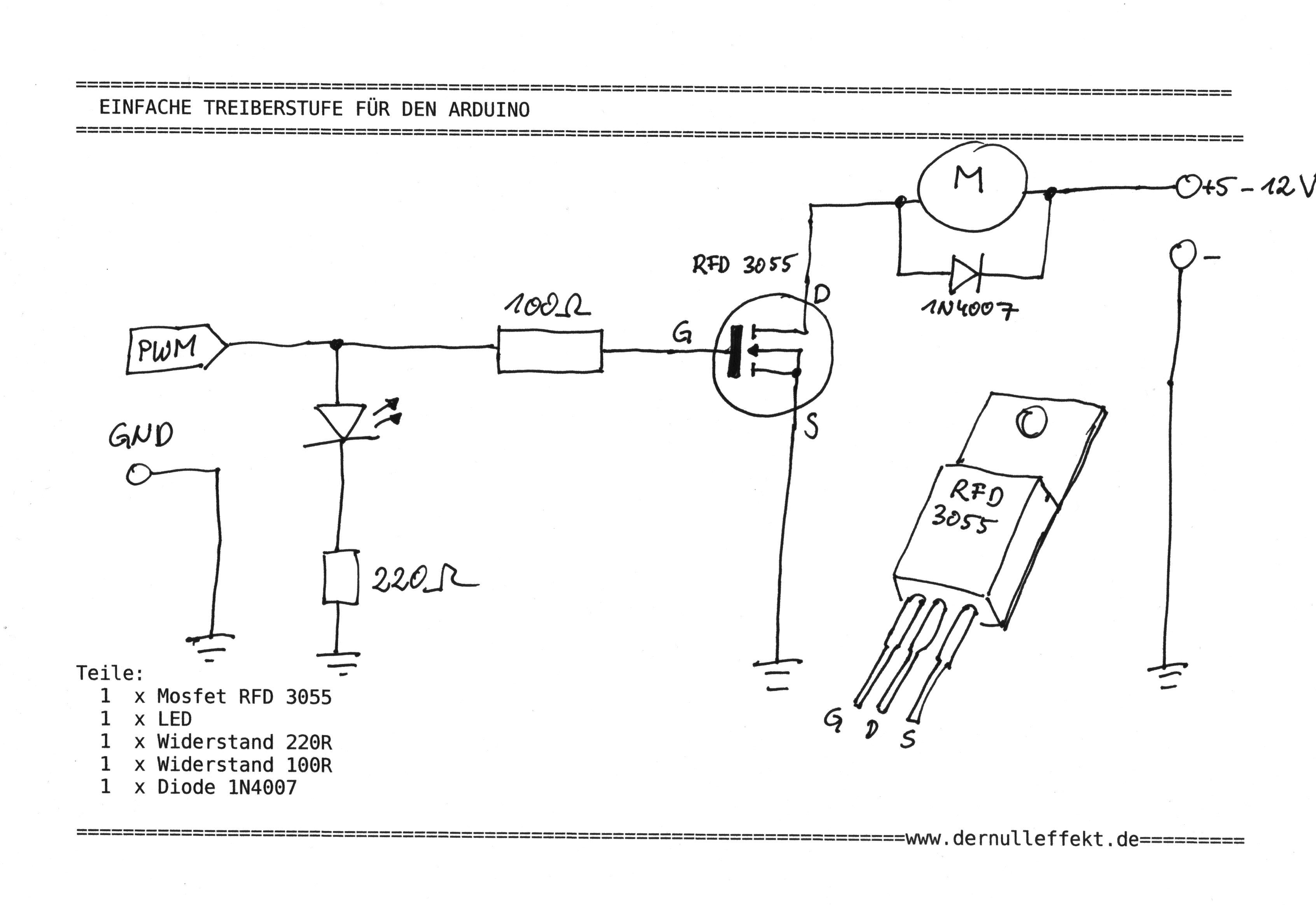
Motor Control Board_v2
Motor an & ausschalten
Processing
Farbwechsel
Libraries
Schaltungen
Boards
Einfaches Control-Shield:

Simple-Input-Shield
Einfaches Verstärker Board:

Simple-Output-Board
Sound Sensor Module:


http://www.learningaboutelectronics.com/Articles/Arduino-microphone-circuit.php
Datasheet:
http://www.bestartech.com/documents/PDFs/BCM9745NC-W82PLUG.PDF.pdf
Links
Hier sind weiterführende Links, sowie div. Möglichkeiten Bauteile zu kaufen.
Arduino Infos & Tutorial:
http://www.arduino.cc
http://www.arduino.cc/playground
http://www.arduino.cc/forum
http://www.freeduino.de/books
http://itp.nyu.edu/physcomp/Tutorials/Tutorials
http://bausteln.de/anleitungen/
Ergänzungen:
http://fritzing.org
http://firmata.org/wiki/Main_Page
http://playground.arduino.cc/interfacing/processing
Elektronikwissen:
http://www.elektronik-kompendium.de
Led Vorwiderstand berechnen:
http://www.spaceflakes.de/led-rechner/
Datenblätter:
http://www.datasheetarchive.com
http://www.alldatasheet.com
Kauf von Bauteilen:
Berlin:
http://www.conrad.de
http://www.segor.de
http://www.sly.de
http://www.tinkersoup.de
Versand:
http://www.sparkfun.com
http://www.reichelt.de
http://www.pollin.de/shop
http://www.watterott.com
http://de.rs-online.com/web/home.html
Simple Sound
Einige Beispiele um einfache Sounds und Melodien auf dem Arduino zu spielen.
https://code.google.com/p/tinkerit/wiki/Auduino
http://www.instructables.com/id/How-to-easily-play-music-with-buzzer-on-arduino-Th/
http://log.or.cz/?p=119
http://www.princetronics.com/supermariothemesong/


