This is an old revision of the document!
Kunst-Computer-Interaktion mit dem Arduino
Downloads:
http://arduino.cc/en/Main/Software
http://processing.org/download/
http://firmata.org/wiki/Main_Page
Handouts:
Arbeitsblätter:
Übersetztes Blink Programm
Allgemeiner Programmaufbau
Widerstandstabelle
Elektronische Schaltzeichen
Programme:
Arduino:
Ein & Ausgaenge
Eingang Test
Sound
Piezo Theremin
Processing
Output-Board-Test
Motor Control Board
Motor an & ausschalten
Processing:
Farbwechsel
Schaltungen:
Helligkeitsmesser:

Drum-Pad:

Drehmesser:

Sound Ausgang:

Eingangs Board:

Einfacher Verstärker:

Boards:
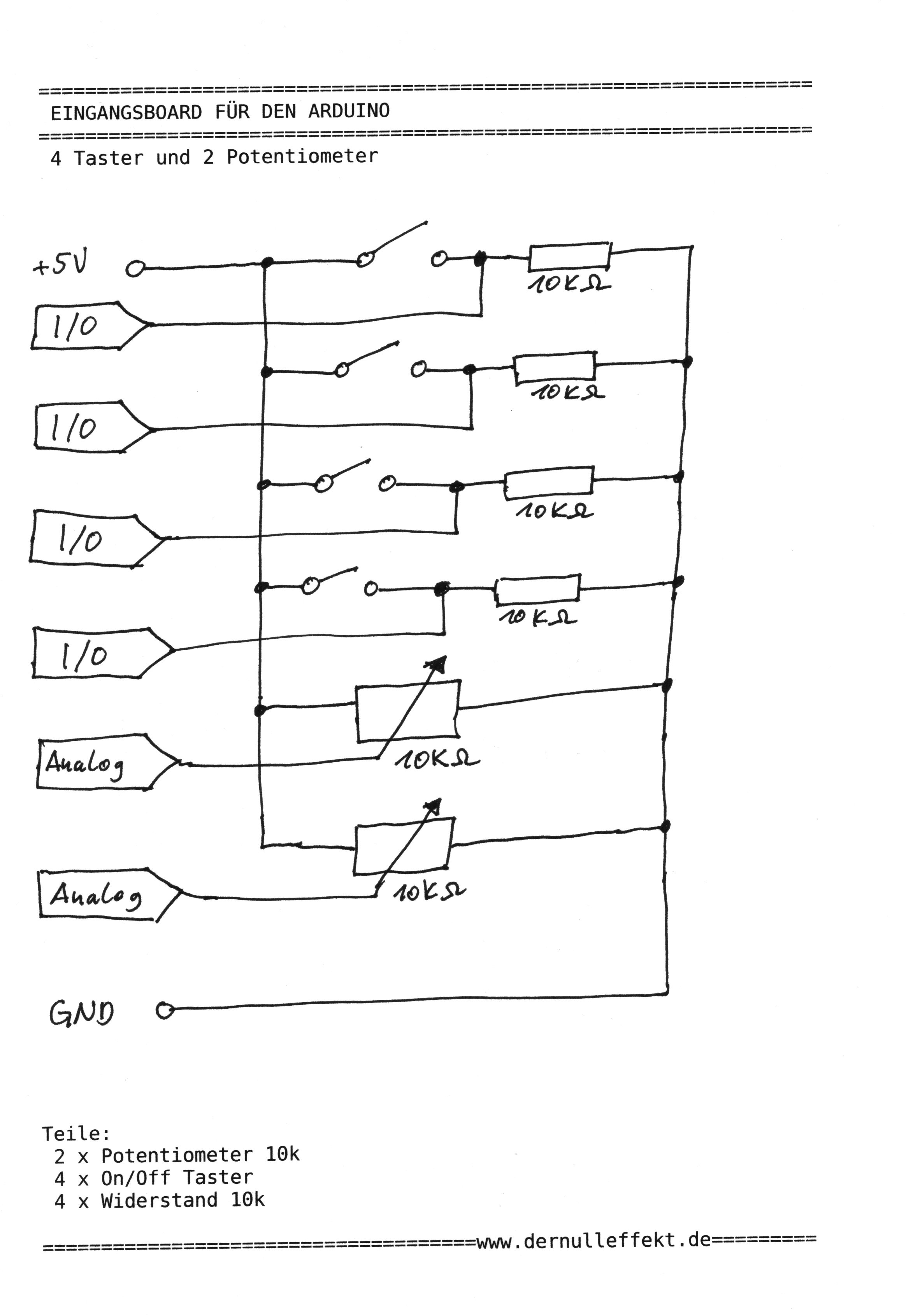
Einfaches Eingabe Board:

Simple-Input-Board
Einfaches Verstärker Board:

Simple-Output-Board
Links:
Arduino Infos & Tutorial:
http://www.arduino.cc
http://www.arduino.cc/playground
http://www.arduino.cc/forum
http://www.freeduino.de/books
http://itp.nyu.edu/physcomp/Tutorials/Tutorials
http://bausteln.de/anleitungen/
Ergänzungen:
http://fritzing.org
http://firmata.org/wiki/Main_Page
http://playground.arduino.cc/interfacing/processing
Elektronikwissen:
http://www.elektronik-kompendium.de
Led Vorwiderstand berechnen:
http://www.spaceflakes.de/led-rechner/
Datenblätter:
http://www.datasheetarchive.com
http://www.alldatasheet.com
Kauf von Bauteilen:
Berlin:
http://www.conrad.de
http://www.segor.de
http://www.sly.de
http://www.tinkersoup.de
Versand:
http://www.sparkfun.com
http://www.reichelt.de
http://www.pollin.de/shop
http://www.watterott.com
http://de.rs-online.com/web/home.html